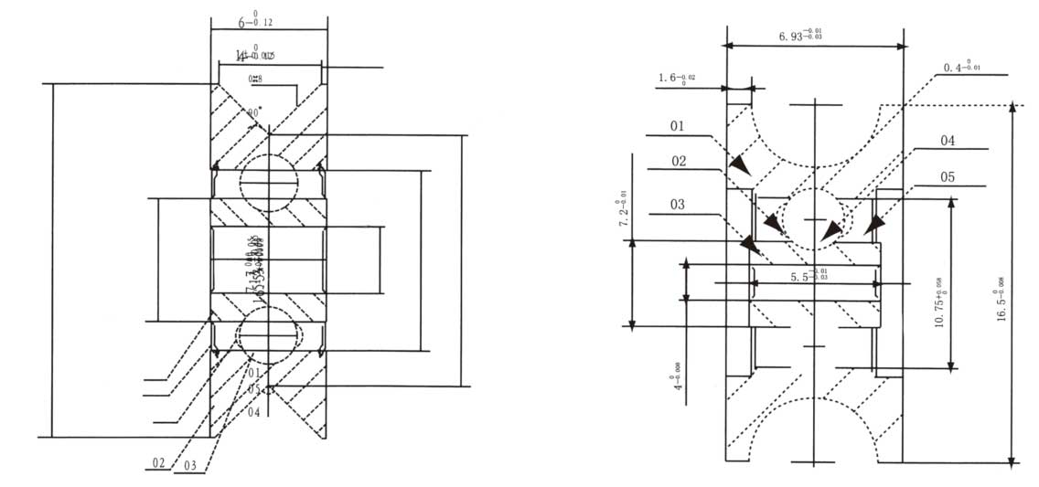
產品結構圖
說明:
1,開式軸承是指不帶任何密封蓋的軸承。
2,封閉式軸承指軸承兩邊帶密封蓋,ZZ表示兩邊帶金屬蓋,客戶可以根據自己的要求選擇不同的密封蓋。
3,同一個尺寸的軸承,客戶可以選擇不同的材料,等級。
4,以下尺寸為按國際標準的軸承的基本尺寸,如客戶有不同的要求,我們可以定做。
5,相同的軸承有各種不同的代號和叫法,請確認自己需要的軸承的尺寸。
| 型號 Type *點擊型號查看詳情 | 內徑 Bore Diameter | 外徑 Outer Diameter | 寬度 Width | 槽寬 Groove | 基本額定動負荷 Cr(N) Load Rating Cr(N) | 基本額定靜負荷 Cor(N) Load Rating Cor(N) | 允許回轉數 Max.Speed | |
| 潤滑脂 Grease | 潤滑劑 Oil | |||||||
| *1000rpm | ||||||||
| V3/12M | 3 | 12 | 6 | 4 | 631 | 219 | 50 | 60 |
| V4/10M | 4 | 10 | 6 | 4 | 711 | 272 | 48 | 56 |
| V6/16M | 6 | 16 | 7 | 5 | 1082 | 442 | 40 | 45 |
| V7/17M | 7 | 17 | 7 | 5 | 1173 | 513 | 40 | 50 |
| V8/19M | 8 | 19 | 8 | 6 | 1252 | 592 | 36 | 43 |
| V9/20M | 9 | 20 | 8 | 6 | 1327 | 668 | 36 | 43 |
| V10/22M | 10 | 22 | 8 | 6 | 1716 | 840 | 37 | 43 |
| U3-13M | 3 | 13 | 6 | 3.5 | 1300 | 488 | 40 | 48 |
| U4-15M | 4 | 15 | 6 | 3.5 | 957 | 350 | 48 | 56 |
| U5-16M | 5 | 16 | 7 | 4 | 1077 | 432 | 43 | 50 |
| U6-17M | 6 | 17 | 7 | 4 | 1082 | 442 | 40 | 50 |
| U7-19M | 7 | 19 | 7 | 4 | 1173 | 513 | 40 | 50 |
| U8-21M | 8 | 21 | 7 | 4 | 1605 | 719 | 36 | 43 |